مدل:
X96DSX025X21H→ Aux. Supply : 80-260 VAC/ DC
X96DSX025X21S→ Aux. Supply : 115-230 VAC/ 115VDC
|
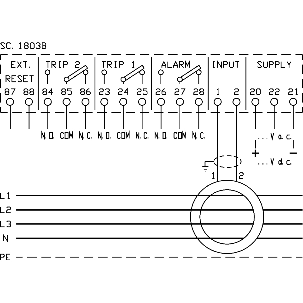
رله نشت جریان زمین تابلویی سایز 96x96mm تایپ A/AC با قابلیت تنظیم جریانی 30mA-30A قابلیت تنظیم زمانی 0.02-5 ثانبه تغذیه 115-230 ولت AC و مولتی ولتاژ 80-260 ولت AC/DC |
دارای 2 خروجی تریپ چنج اور و خروجی آلارم
هنوز نظری برای این محصول وجود ندارد.