EU 1 S RF KNX
کد کالا : 4941642
کنترلر بیسیم تک کاناال گرمایش الکتریکی - مدل توکار همسطح
برای قیمت تماس بگیرید
یک سوال درباره این محصول بپرسید
شرح
Function description
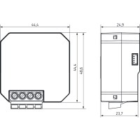
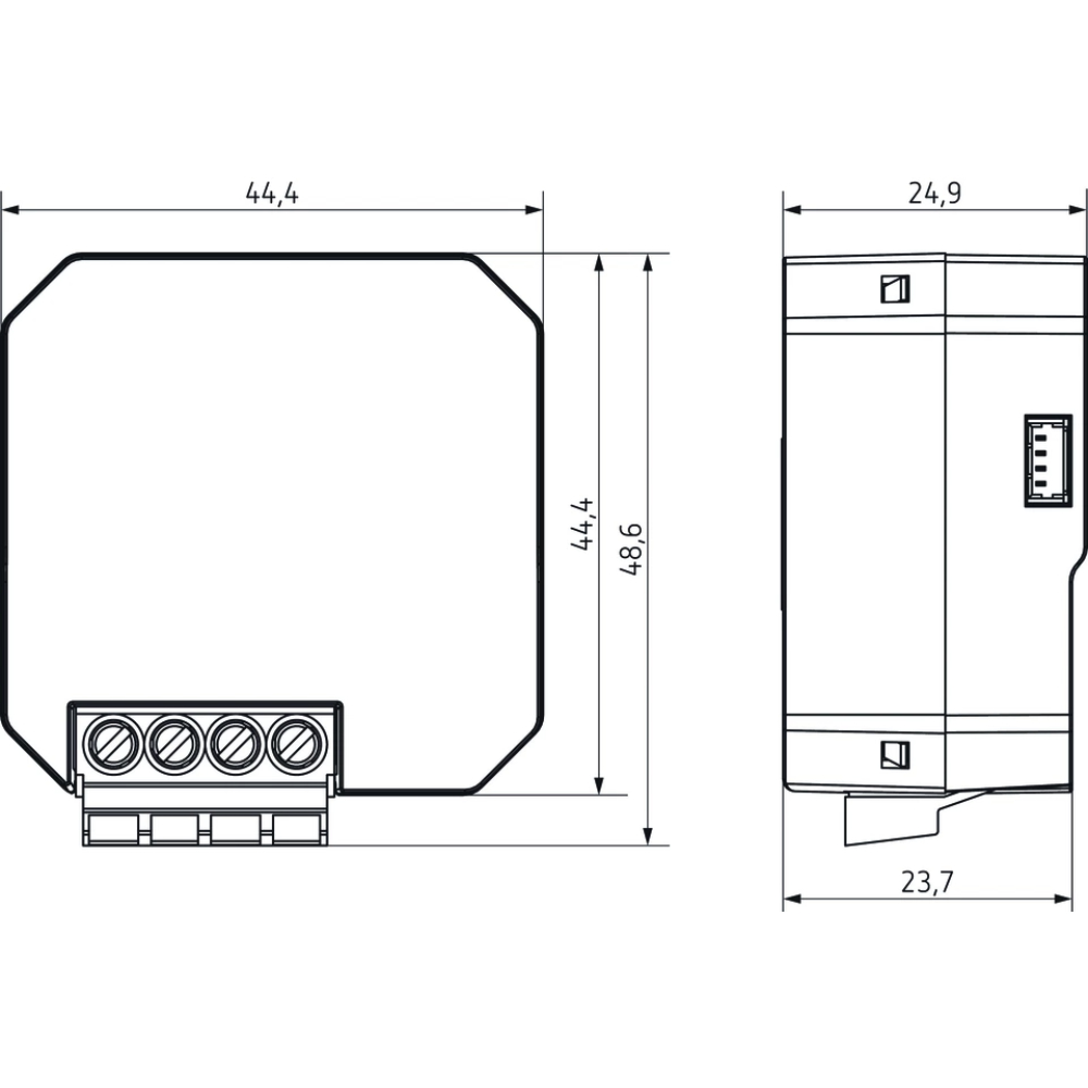
1-way flush-mounted wireless actuator for electric heating 10 A, KNX RF, Data Secure
Easy installation due to the compact housing
Secure communication via with support of „KNX Data Secure“
For direct connection of electric heating with high switching capacity
Integrated temperature controller can also be configured as an additional heater
Additional stage function for simple control of a second heat generator
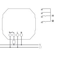
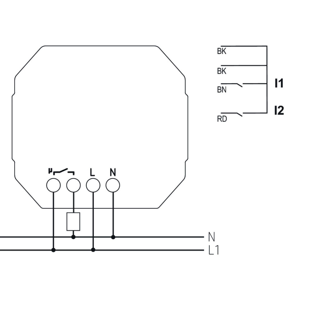
2 binary inputs for floating contacts such as buttons, switches, temperature sensor (I2)
Integrated temperature monitoring for increased operating safety, e.g. in the event of overload
The binary inputs are assigned to the dimming output as standard (function test before programming)
بازنگری ها
هنوز نظری برای این محصول وجود ندارد.
Back to: کنترلرهای فرکانس رادیویی