Code:
M52U02→Programmable analog output modules with 2 outputs for FRER Network Analyzers
M52U04→Programmable analog output modules with 4 outputs for FRER Network Analysers
Description
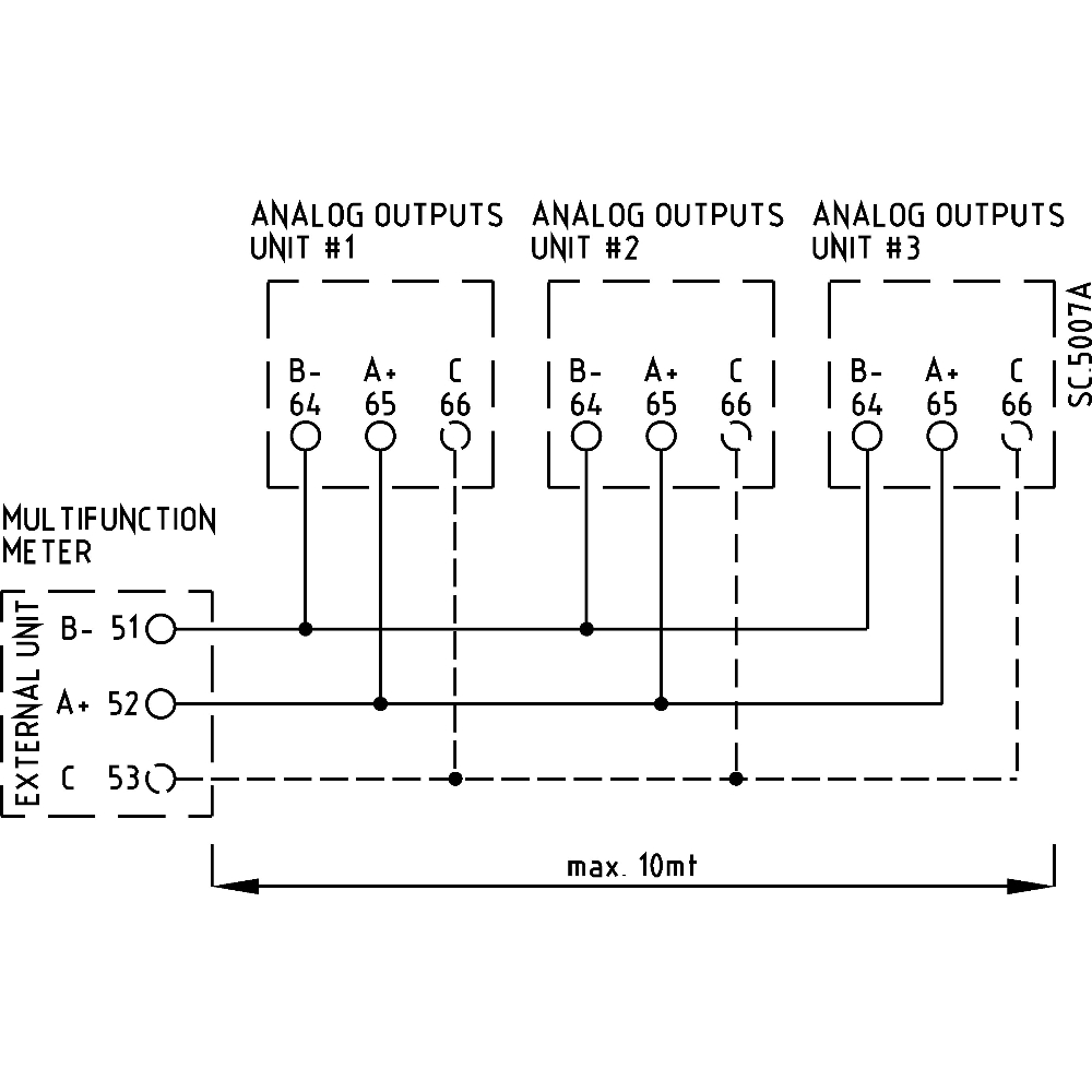
Analogue outputs modules M52U… with 2 or 4 outputs are designed to be connected to FRER multifunction meters to generate a maximum of 12 analogue outputs (using max. 3 modules with 4 outputs) proportional to as many variables measured by the meter itself. In addition, on each module two alarm outputs are available on request. Each analogue output, as each alarm output, is fully and independently programmable on site.
هنوز نظری برای این محصول وجود ندارد.