Q96B4W005MCQHU8
Q96B4W005MCQHU8
Ingombro_Q969
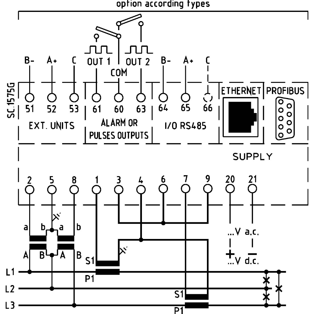
SC15754
SC18143

Q96B4

مولتی فانکشن میتر با صفحه نمایش LCD
قابلیت پشتیبانی و ارتباط بوسیله Profibus DP VO
منبع تغذیه : 260-80 Vac/dc
دارای 2 خروجی آلارم/پالس

شرح

Q96B4W→96x96mm High Performance Multifunction meter with 4 blue/red displays

Description
Multifunction analyser suitable for use in three-phase systems with three or four wires with unbalanced load, even in the presence of distorted waveforms. It allows the display of all the main characteristic quantities of an electrical network, including the Active and Reactive Energy values, (16 quantities, 32 measurements) on a single instrument, by means of 3 BLUE LED displays, on which the values relating to the three phases appear, plus a fourth RED LED display for displaying the system quantities. The choice of the displayed measurements is independent for each of the two sections (phase and system values), thus allowing a more complete supervision of the network status. Indications of the type of measurement in progress and of the kilo or Mega multiplier to be applied are made by means of luminous symbols that are easy and immediate to identify. As an option, it can be equipped with a communication interface (Modbus RTU - Ethernet - IEC61850 - PROFIBUS) and 2 alarm outputs that can alternatively be programmed as impulsive outputs for the retransmission of active and reactive energy.

بازنگری ها

هنوز نظری برای این محصول وجود ندارد.