910
910
Q96
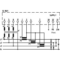
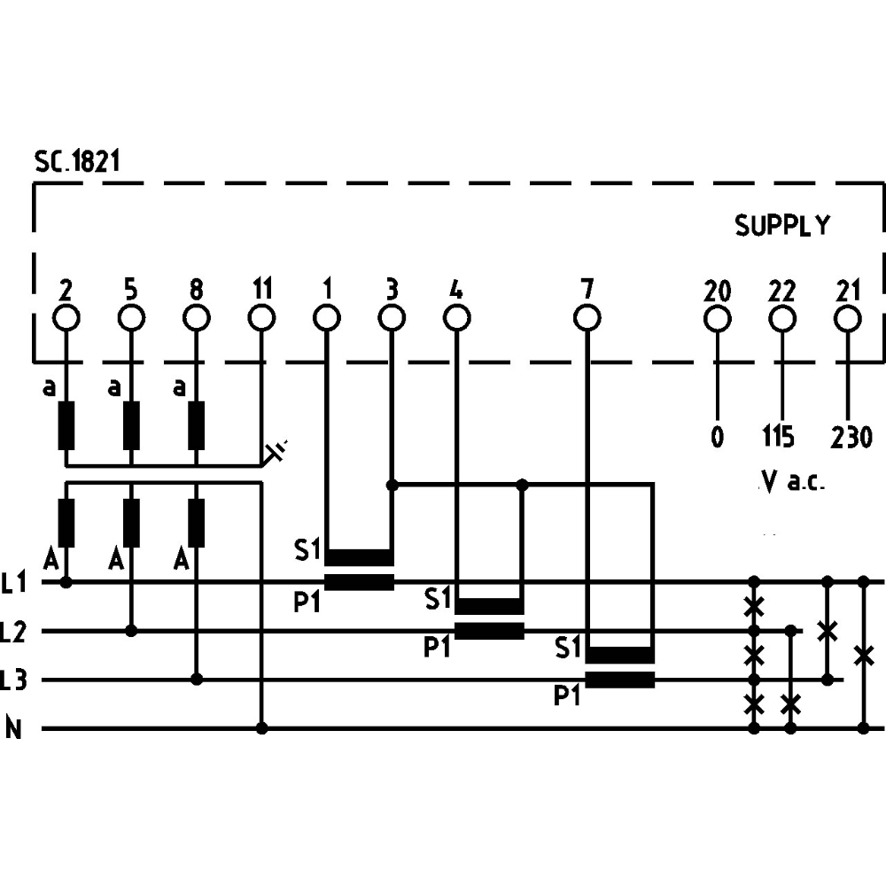
SC1821

Q96D4

دارای صفحه نمایش LED
سایز 96*96 mm
Reading update : 1 sec
Measuring Type : TRMS
جریان اسمی ورودی : 1-5A

شرح

Description

Multifunctional network analyser suitable for use in three-phase systems with three or four wires with unbalanced load for L.V., even in the presence of distorted waveforms. It allows the display of all the main characteristic quantities of an electrical network (11 quantities, 30 measurements) on a single instrument, by means of 3 RED LED displays, on which the values relating to the three phases appear, plus a fourth YELLOW LED display for displaying the system quantities.
The choice of the displayed measurements is independent for each of the two sections (phase and system values), thus allowing a more complete supervision of the network status.
The type of measurement in progress and the kilo or Mega multiplier to be applied are indicated by means of luminous symbols that are easy to identify.

بازنگری ها

هنوز نظری برای این محصول وجود ندارد.