441
441
Screenshot 2025-10-25 144403
6297 (1)
6298 (1)

X96DSA

تایپ A تابلویی سایز 96*96mm
رنج جریان نشتی : 30mA -30A
تاخیر زمانی 0.02-5 ثانیه
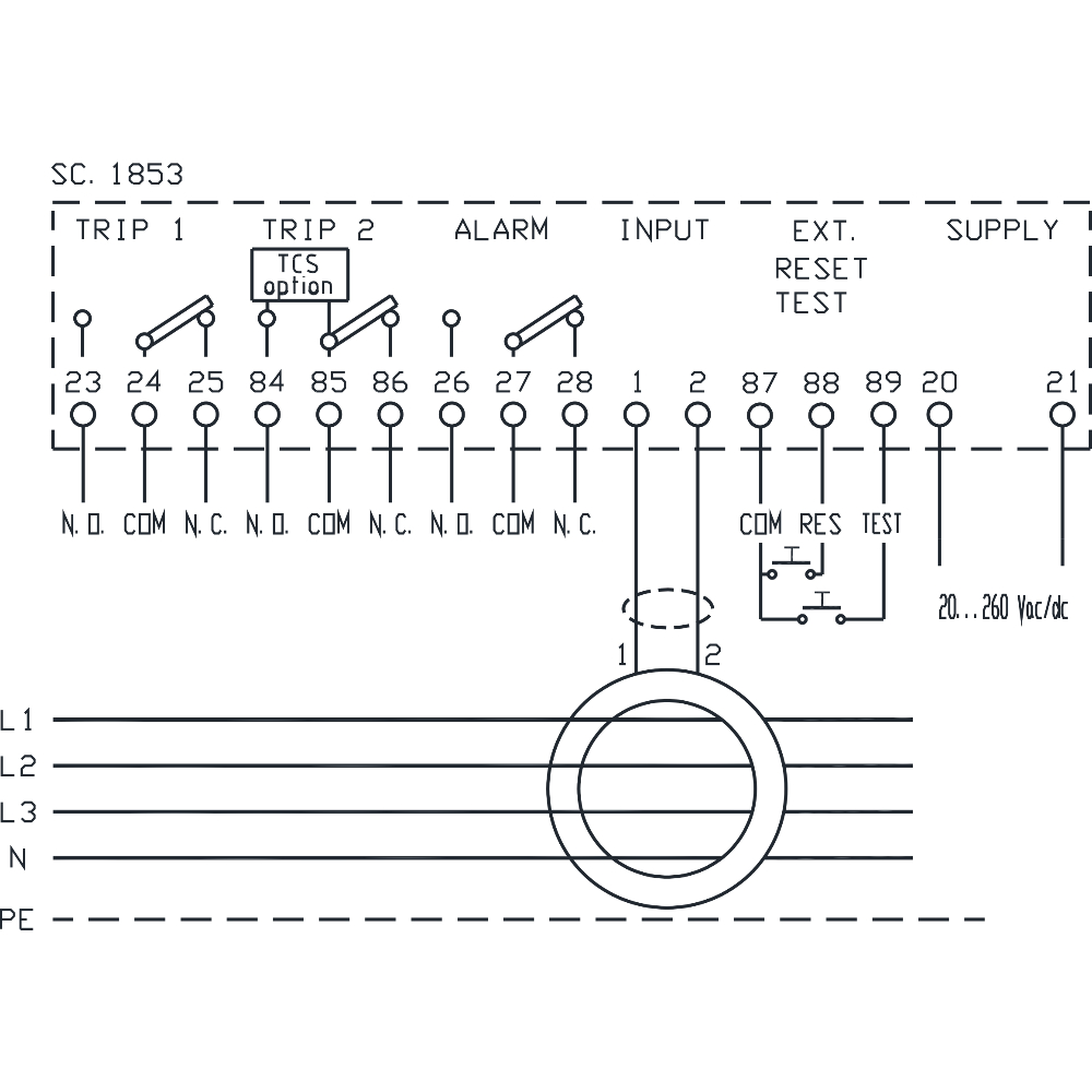
دارای 2 خروجی تریپ 8A و 250V و یک خروجی آلارم
قابلیت External reset و External test
قابلیت مچ با کوربالانس‌های tdp , tda , tdc
دارای نشانگر میزان جریان دنشتی و بارگراف مولتی کالر

شرح

code :

X96DSA030R21E → Aux. Supply : 20-260VAC 

X96DSA030T21E → Aux. Supply : 20-260VAC ,  دارای نشانگر Alarm TCS

X96DSA300R21E → Aux. Supply : 20-260VAC 

X96DSA300T21E → Aux. Supply : 20-260VAC , دارای نشانگر Alarm TCS

Type A earth leakage relay - 96x96 mm

The new range of type A earth leakage relays with separate toroid provides maximum safety and reliable protection in compliance with EN 60947-2 Annex M. Tripping current IΔn adjustable from 30mA to 30A. Settings by means of dip-switch and trimmer protected by sealable front panel. Dual TRIP relay and alarm relay. Colored LED bar for IΔn % indication. Connection by means of external closed-core or split-core toroids of the TDC-TDA series

 

  Function 

1.TRIP current setting IΔn trimmer.

2. TRIP delay setting Δt trimmer.

3. Alarm current setting IΔalatrimmer.

4. Alarm delay setting Δtalatrimmer.

5. Multicolor Bargraph.

6.Programming selector.

7.  LED ON indicates that the device is powered.

8. LED ALARM indicates alarm status (fixed light) or CT disconnection (Slow blinking LED) or TCS failure (Fast blinking LED).

9. LED TRIP indicates that the device has tripped.

10. TEST pushbutton for relay TRIP test.

11. RESET pushbutton for relay manual restore after TRIP

بازنگری ها

هنوز نظری برای این محصول وجود ندارد.