صفحه نخست
محصولات
تجهیزات ساختمان های هوشمند
سنسورها
سنسورهای حرکت
سنسورهای حضور
سنسورهای هواشناسی
سنسورهای سنجش میزان روشنایی
سنسور گاز دی اکسیدکربن
کنترلر
کنترلر قطع و وصل / پرده برقی
کنترلر دیمر
کنترلر قطع و وصل / دیمر
کنترلر پرده برقی
کنترلر فن کویل
کنترلر تک کاناله توکار
کنترلر سیستمهای گرمایش از کف
کلیدهای هوشمند
ترموستات اتاقی
تایمر و ساعت فرمان نجومی
DALI-2
کنترلرهای DALI-2
سنسورهای DALI-2
منبع تغذیه
درگاه های ارتباطی
کنترلرهای فرکانس رادیویی
ورودی های Binary
تجهیزات برق صنعتی
FRER
تجهیزات اندازه گیری آنالوگ
رله های نشت جریان و کوربالانس ها
مالتی فانکشن مترها و آنالایزرهای شبکه
ترنسدیوسرهای اندازه گیری و آنالیز شبکه
رابط ها و درگاه ها
میترهای آنالوگ و دیجیتال
انرژی میترها
ترانسفورمرهای جریان و ولتاژ
مقره و عایق و نگهدارنده
شنت DC و جداکننده های ولتاژی DC
لوازم جانبی
theben
پریز تایمردار
تایمر آنالوگ تابلویی
کنتور کارکرد دستگاه
تایمر راه پله
تایمر دیجیتال هفتگی
ساعت فرمان نجومی
STEGO
ترموستات های تابلویی
رطوبت سنج های تابلویی
سنسور هوشمند اندازه گیری دما و رطوبت دیجیتال
فیلتر فن های تابلویی
هیتر و فن هیتر تابلویی
لوازم جانبی
رویدادها
پایگاه دانش
درباره ما
تماس با ما
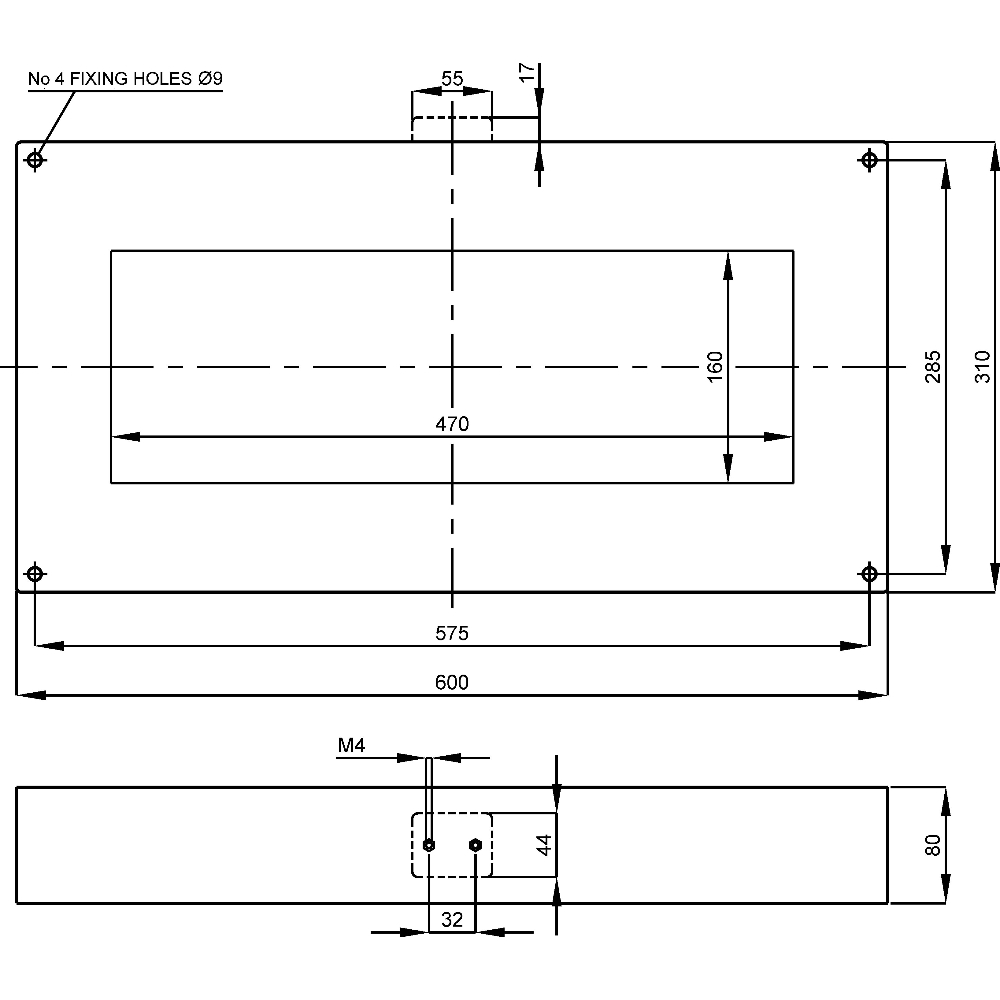
TDC471
کوربالانس TDC471
470*160mm
درجه حفاظت IP20
Type : CLOSED
برای قیمت تماس بگیرید
یک سوال درباره این محصول بپرسید
شرح
Rectangular Toroidal Transformer 470x160 for Type A-F Earth Leakage Relays
بازنگری ها
هنوز نظری برای این محصول وجود ندارد.
Back to: رله های نشت جریان زمین و کوربالانس ها
جستجو
صفحه نخست
محصولات
تجهیزات ساختمان های هوشمند
سنسورها
سنسورهای حرکت
سنسورهای حضور
سنسورهای هواشناسی
سنسورهای سنجش میزان روشنایی
سنسور گاز دی اکسیدکربن
کنترلر
کنترلر قطع و وصل / پرده برقی
کنترلر دیمر
کنترلر قطع و وصل / دیمر
کنترلر پرده برقی
کنترلر فن کویل
کنترلر تک کاناله توکار
کنترلر سیستمهای گرمایش از کف
کلیدهای هوشمند
ترموستات اتاقی
تایمر و ساعت فرمان نجومی
DALI-2
کنترلرهای DALI-2
سنسورهای DALI-2
منبع تغذیه
درگاه های ارتباطی
کنترلرهای فرکانس رادیویی
ورودی های Binary
تجهیزات برق صنعتی
FRER
تجهیزات اندازه گیری آنالوگ
رله های نشت جریان و کوربالانس ها
مالتی فانکشن مترها و آنالایزرهای شبکه
ترنسدیوسرهای اندازه گیری و آنالیز شبکه
رابط ها و درگاه ها
میترهای آنالوگ و دیجیتال
انرژی میترها
ترانسفورمرهای جریان و ولتاژ
مقره و عایق و نگهدارنده
شنت DC و جداکننده های ولتاژی DC
لوازم جانبی
theben
پریز تایمردار
تایمر آنالوگ تابلویی
کنتور کارکرد دستگاه
تایمر راه پله
تایمر دیجیتال هفتگی
ساعت فرمان نجومی
STEGO
ترموستات های تابلویی
رطوبت سنج های تابلویی
سنسور هوشمند اندازه گیری دما و رطوبت دیجیتال
فیلتر فن های تابلویی
هیتر و فن هیتر تابلویی
لوازم جانبی
رویدادها
انواع رله های الکتریکی
پایگاه دانش
درباره ما
تماس با ما