TDB90
TDB90
TDB090 (1)

TDB 090

کوربالانس
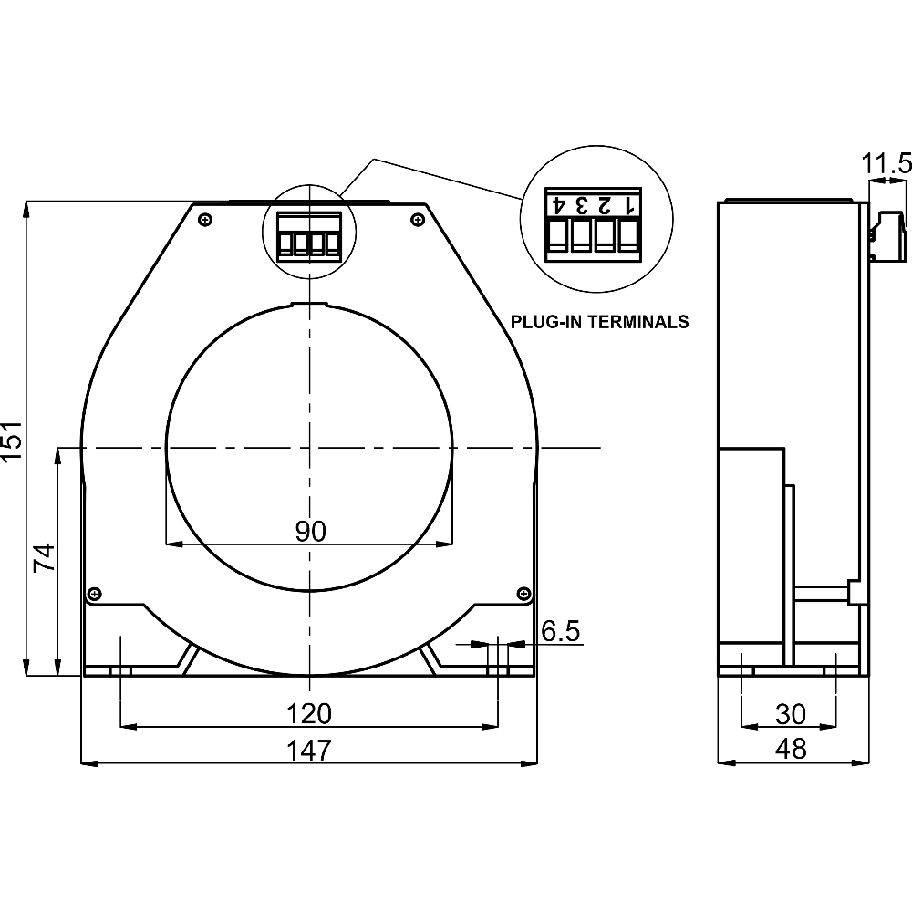
قطر : Ø90
مخصوص رله ارت لیکیج مدل B
درجه حفاظت IP20
Type : CLOSED

شرح

Sensor ø90mm for Type B Earth Leakage Relays

TDB series sensors are able to measure AC and DC currents with a DC-10kHz bandwidth, and 1mA resolution.  TDB sensors have an integrated degauss function with DC offset zeroing, which is by relay command. This function sets to zero the Dc current measuring errors (DC offset) caused by terrestral magnetic field, permanent magnets, DC coil, temperature drifts, mechanical shocks or vibrations. The measuring error of the RMS current (AC+DC) is proportional to the line current and it depends on the geometrical layout of the conductors passing through the sensor hole. It also depend on the distance and the geometrical layout of  the nearby conductors passing outside the sensor hole. The IΔn setting <100mA will be possible only by centering the conductors and with controlled environment conditions (temperature, vibration, EMI).

بازنگری ها

هنوز نظری برای این محصول وجود ندارد.