efr012-elektronischer-hygrostat-electronic-hygrostat-feature
efr012-elektronischer-hygrostat-electronic-hygrostat-feature
ER012
2013-efr012-01246-0-00-photo
2013_etr011_etl011_efr012_efl012_drawing_inches
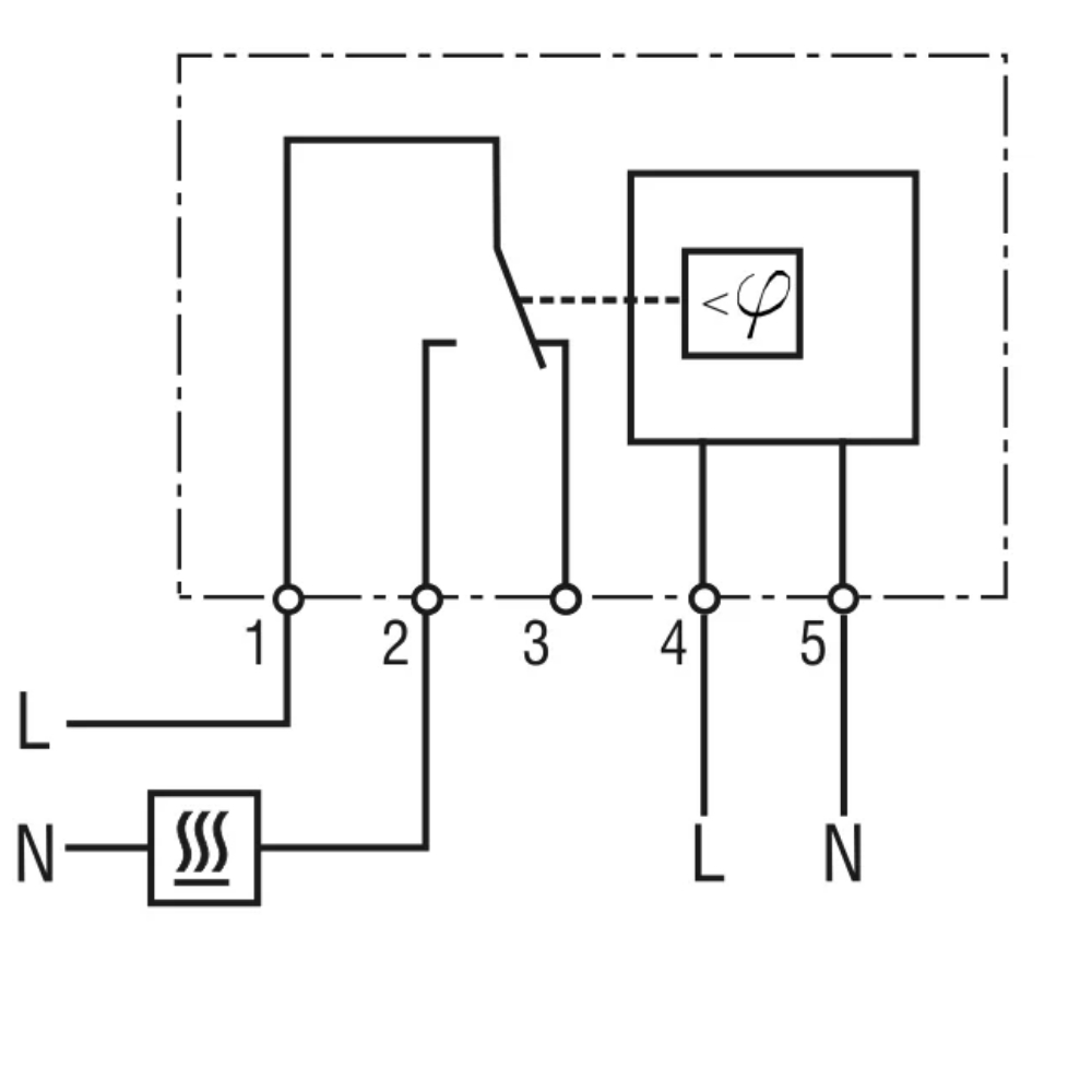
2011-05-efr012-connection-diagram
2017-04-efr012-connection-example

EFR012

کد کالا : 01245.0-00
هیگروستات رطوبت سنج - Electronic Hygrostat
اختلاف دمای سوئیچ : 5 % RH (±3 % RH tolerance) at +25 °C (+77 °F), 50 % RH
المان حسگر دما: thermostatic bimetal
درجه حفاظت : IP 20

شرح

The hygrostat is used to prevent condensate and monitors the relative humidity in enclosures and casings. When the set value is reached, the heating is switched on and the integrated LED lights up.

  • Adjustable or fixed relative air humidity
  • Visual status display (LED)
  • High switching performance
  • Temperature-compensated
  • Clip fixing

بازنگری ها

هنوز نظری برای این محصول وجود ندارد.